Nội dung bài viết
Biến tần 3 pha là thiết bị quan trọng trong môi trường công nghiệp có chức năng điều khiển hoạt động của động cơ tải nhờ khả năng chuyển đổi dòng điện đầu vào từ DC sang AC. Hãy cùng tìm hiểu về cấu tạo, ứng dụng và phân loại biến tần 3 pha trong bài viết dưới đây.
Khái niệm về biến tần 3 pha
Biến tần 3 pha là thiết bị chuyển đổi nguồn DC thành đầu ra AC 3 pha (380V, 440V) thông qua cấu trúc chuyển mạch bán dẫn công suất. Trong cấu trúc này, tín hiệu cổng được đặt ở góc 60 độ với các công tắc nguồn, tạo ra tín hiệu xoay chiều 3 pha cần thiết.

Bộ biến tần 3 pha thường được sử dụng kết hợp với mô-đun quang điện (PV) hoặc lưới điện, với ứng dụng rộng rãi trong các hệ thống năng lượng tái tạo như lắp đặt quang điện mặt trời và môi trường công nghiệp, trong đó nguồn điện 3 pha rất quan trọng để vận hành máy móc.
Ngoài ra, so với biến tần 1 pha, biến tần 3 pha là giải pháp đa dạng và phổ biến hơn khi có khả năng điều khiển nhiều loại động cơ điện, như: động cơ không đồng bộ 3 pha, động cơ đồng bộ, động cơ biến tần, động cơ servo không đồng bộ (ASM), động cơ trục chính, động cơ truyền động trực tiếp.
Cấu tạo biến tần 3 pha
Biến tần 3 pha gồm có 4 phần chính: mạch chỉnh lưu, tụ bù, mạch biến tần và mạch điều khiển.
- Mạch chỉnh lưu: Bộ phận quan trọng giúp chuyển đổi dòng điện xoay chiều AC thành dòng điện một chiều thông qua linh kiện bán dẫn (Diode).
- Tụ điện phẳng: Chịu trách nhiệm điều hòa dòng điện một chiều, giúp giảm sự dao động của điện áp một chiều. Bước này thường được thực hiện trước khi đưa dòng điện vào mạch chỉnh lưu.
- Mạch biến tần: Thông qua phương pháp điều chế độ rộng xung (PWM), mạch biến tần chuyển đổi điện áp DC thành AC. -PWM sử dụng khả năng chuyển mạch bật/tắt linh hoạt các linh kiện bán dẫn (công nghệ cắt xung) giúp tạo ra dòng điện xoay chiều có tần số và biên độ được kiểm soát.
- Mạch điều khiển: Đảm nhận vai trò điều khiển, điều khiển hoạt động của biến tần 3 pha, giúp duy trì sự ổn định tốc độ động cơ, đồng thời mang đến khả năng cài đặt các chương trình chạy linh hoạt cho biến tần.
Nguyên lý làm việc của biến tần 3 pha
Nguyên lý làm việc của biến tần 3 pha trải qua 3 giai đoạn:
- Chuyển đổi đầu vào: Thông qua bộ chỉnh lưu cầu diode và tụ điện, nguồn điện xoay chiều 3 pha được chỉnh lưu và lọc thành nguồn điện 1 chiều. Quá trình này giúp duy trì hệ số cosine của biến tần là 0,96, bất kể tải.
- Điều chế độ rộng xung: Điện áp DC sau đó được chuyển đổi thành điện áp xoay chiều 3 pha đối xứng thông qua hệ thống IGBT sử dụng phương pháp điều chế độ rộng xung (PWM).
- Lọc đầu ra: Sau khi điều chế, các xung điện áp sẽ được lọc qua các mạch thụ động (thường là mạch cảm ứng và mạch điện dung). Giai đoạn này tinh chỉnh sóng hình sin đầu ra thành dòng điện xoay chiều 3 pha lý tưởng cho các thiết bị tải.
Các phương thức dẫn điện trên biến tần 3 pha
Có hai chế độ dẫn điện chính ở biến tần 3 pha bao gồm chế độ dẫn điện 120 độ và chế độ dẫn điện 180 độ. Các chế độ này đề cập đến thời gian và thời lượng chuyển đổi của các công tắc biến tần, đồng thời cho phép các mức độ điều khiển và chất lượng dạng sóng đầu ra khác nhau trong hoạt động của biến tần.
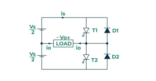
Chế độ dẫn 180 độ
Trong chế độ dẫn điện này, mỗi công tắc thực hiện 180 độ của chu kỳ điện với sự kích hoạt xảy ra ở khoảng cách 60 độ. Các đầu ra có nhãn D, E và F có thể được kết nối với tải theo sơ đồ sao hoặc tam giác
Trong phạm vi góc pha từ 0 đến 60 độ, các công tắc S1, S5 và S6 ở trạng thái dẫn điện. Đầu D và F được nối với cực dương (+) của nguồn điện. Đầu E sẽ kết nối với cực âm (-) của nguồn. Ngoài ra, điện trở R/2 xuất hiện giữa cực trung tính và cực dương, trong khi R nằm giữa cực trung tính và cực âm.
Cấu hình này đảm bảo biến tần 3 pha tạo ra dòng điện 3 pha cân bằng, phù hợp với hệ thống truyền động động cơ và hệ thống điện công nghiệp.

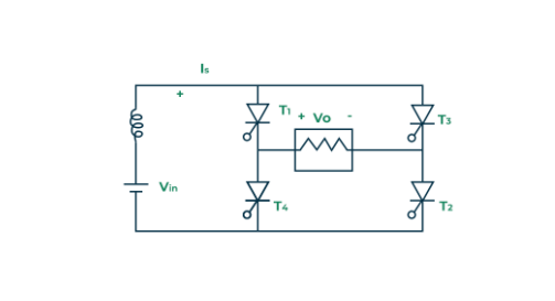
Chế độ dẫn 120 độ
Với chế độ này, mỗi công tắc dẫn điện 120 độ, phù hợp với tải nối tam giác. Chế độ dẫn 120 độ tạo ra dạng sóng 6 bước trên một trong các pha. Trong mỗi nhánh pha, chỉ có 2 công tắc hoạt động tại một thời điểm bất kỳ và mỗi công tắc hoạt động trong ⅓ chu kỳ cơ sở.
Trong sơ đồ kết nối tải, đầu cuối D nối với cực dương của nguồn, đầu E nối với cực âm của nguồn, đầu F ở trạng thái nổi (không nối với cực dương hoặc cực âm của nguồn).

Từ dạng sóng trên:
- Từ 0-60: s1 và s6 dẫn điện trong khi các công tắc còn lại mở.
- Từ 60 – 120: s1 và s2 dẫn điện trong khi các công tắc còn lại mở.
- Từ 120 – 180: s3 và s2 dẫn điện trong khi các công tắc còn lại đều mở.
- Từ 180 – 240: s3 và s4 dẫn điện trong khi các công tắc còn lại đều mở.
- Từ 240 – 300: s5 và s4 dẫn điện trong khi các công tắc còn lại đều mở.
- Từ 300 – 360: s5 và s6 dẫn điện trong khi các công tắc còn lại đều mở.
Các loại biến tần 3 pha
Biến tần nguồn điện áp VSI

Biến tần nguồn điện áp (VSI) hay còn gọi là biến tần nguồn điện áp, chuyên chuyển đổi điện áp nguồn điện, phù hợp với các hệ thống mà nguồn DC có trở kháng không đáng kể hoặc thấp.
VSI thường được sử dụng trong các hệ thống Biến tần (VFD) để điều khiển tốc độ của động cơ 3 pha và cũng được sử dụng cho các hoạt động cưỡng bức. Trong VSI, nguồn DC thường được cung cấp bởi các bộ pin năng lượng mặt trời hoặc nguồn điện liên tục.
Biến tần nguồn DC – AC

Bộ biến tần nguồn hiện tại chuyên chuyển đổi dòng điện DC thành AC ở tần số yêu cầu, với dòng điện nguồn luôn không đổi. Vì vậy, loại biến tần này còn được gọi là biến tần cấp dòng điện.
Bộ biến tần nguồn hiện tại chỉ được sử dụng để tăng dòng điện đầu vào cho động cơ nên được sử dụng trong bộ khởi động động cơ đồng bộ, bộ hiệu chỉnh hệ số công suất, bộ điều khiển tốc độ động cơ AC, bộ gia nhiệt cảm ứng, máy phát plasma, bộ nguồn liên tục (UPS), bộ bù trễ Var,…
Xem thêm: Biến tần DC là gì? Cấu tạo, chức năng và so sánh với biến tần AC
Biến tần xếp tầng đa cấp

Biến tần 3 pha này được thiết kế cho các ứng dụng tiện ích điện, cung cấp khả năng điều khiển chính xác bằng cách sử dụng nhiều mức điện áp để tạo ra dạng sóng từng bước.
Bộ biến tần đa cấp xếp tầng đóng vai trò quan trọng trong hệ thống truyền tải năng lượng tái tạo và điện áp cao, đòi hỏi dòng điện xoay chiều đầu ra ổn định.
Biến tần đa cấp lai

Biến tần đa cấp hybrid được thiết kế đặc biệt cho các ứng dụng công nghiệp có nhu cầu điện áp trung bình và cao, kết hợp các thành phần của cả bộ biến tần nguồn dòng và nguồn điện áp.
Biến tần này đóng vai trò quan trọng trong việc tăng cường cơ sở hạ tầng điện, cho phép sạc xe điện hiệu quả và đáp ứng nhu cầu hoạt động công nghiệp công suất cao.
Biến tần điều chế độ rộng xung

Xung điều chế (PWM) là biến tần chuyên dụng sở hữu kỹ thuật điều chế độ rộng xung để kiểm soát chính xác tần số và điện áp đầu ra. Biến tần này hoạt động bằng cách bật và tắt nhanh các Transitor lưỡng cực có cổng cách điện (IGBT), cho phép tạo ra điện áp hình sin gần như lý tưởng với độ méo sóng hài tối thiểu. Ưu điểm chính là khả năng tạo ra nguồn điện xoay chiều chất lượng cao, tương tự sóng sin tiêu chuẩn, phù hợp cho các ứng dụng yêu cầu nguồn điện sạch và ổn định như hệ thống năng lượng tái tạo (năng lượng mặt trời, gió), động cơ truyền động,…
Xem thêm: 12 thương hiệu biến tần chất lượng tốt nhất Việt Nam
Ứng dụng biến tần 3 pha

Biến tần 3 pha có ứng dụng rộng rãi trong các hệ thống công nghiệp, nông nghiệp, xây dựng và thương mại.
- Trong lĩnh vực truyền động tần số thay đổi:
- Trong truyền tải điện áp cao HVDC
- Cung cấp năng lượng cho các máy móc hạng nặng như máy nghiền, băng tải, v.v.
- Trong nông nghiệp hỗ trợ bơm nước phục vụ tưới tiêu và các hoạt động nông nghiệp khác.
- Được sử dụng trong xe điện để chuyển đổi nguồn DC từ pin thành nguồn AC ba pha để điều khiển động cơ điện.
- Điều khiển và cấp nguồn cho động cơ điện, máy bơm, quạt, băng tải và thiết bị sản xuất công nghiệp.
Xem thêm: Biến tần 3 pha 380V là gì? Phân biệt với biến tần 3 pha 220V
Ưu nhược điểm của biến tần 3 pha
Ưu điểm của biến tần 3 pha
- Truyền tải nhiều năng lượng hơn trên cùng một khoảng cách so với điện một pha.
- Hiệu suất cao do phân bổ tải cân bằng trên cả 3 pha, từ đó giảm tổn thất năng lượng và chi phí vận hành điện.
- Cung cấp điện áp và dòng điện đầu ra ổn định và cân bằng hơn, cải thiện chất lượng điện năng.
- Giảm thiểu hiện tượng méo sóng hài trong hệ thống điện.
- Tương thích hơn với lưới điện và ít bị ảnh hưởng bởi quá điện áp.
- Một số loại có kích thước nhỏ, nhẹ nên thuận tiện hơn cho việc lắp đặt.
Nhược điểm của biến tần 3 pha
- Do thiết kế, kết cấu phức tạp, công suất lớn nên chi phí đầu tư đắt hơn loại 1 pha, quá trình lắp đặt cũng đòi hỏi người vận hành có trình độ và kinh nghiệm.
- Đôi khi biến tần 3 pha tạo ra nhiễu điện từ ảnh hưởng đến thiết bị và hệ thống điện.
- Biến tần 3 pha thích hợp cho các ứng dụng có công suất lớn nên sẽ gây lãng phí năng lượng nếu lắp đặt ở các cơ sở sản xuất vừa và nhỏ.
- Chi phí bảo trì cao do thiết kế phức tạp.
Mua biến tần 3 pha chính hãng chiết khấu cao tại Trường Chu Văn An
Trường Chu Văn An tự hào là đại lý chính thức của bộ biến tần LS tại Việt Nam. Chúng tôi cung cấp các loại mã biến tần LS 3 pha như sau:
Biến tần LS Series M100 là sự lựa chọn tối ưu cho không gian hẹp. So với các dòng iC5 và iE5 trước đây, M100 được cải tiến với nhiều tính năng giúp giảm chi phí và thời gian lắp đặt. LS Series M100 được sử dụng trong các ngành công nghiệp như IAQ (chất lượng không khí trong nhà), băng tải nhỏ, quạt, máy bơm, máy nén và các thiết bị như điều hòa, tủ lạnh, máy xay, máy kéo sợi. |
![]() |
Biến tần LS Series G100 được tối ưu hóa cho nhiều ngành công nghiệp, với hiệu suất mô-men xoắn được cải thiện và khả năng điều khiển không cần cảm biến mạnh mẽ. LS Series G100 phù hợp cho các thiết bị như máy cắt, máy uốn, máy bơm, máy nén, cần cẩu trong các ngành gia công kim loại, xử lý nước và môi trường. |
![]() |
Biến tần LS Series S100 cung cấp khả năng điều khiển không cảm biến tiên tiến, thiết kế nhỏ gọn và hiệu suất cao, phù hợp cho các ứng dụng như cần cẩu, băng tải và máy nén. |
![]() |
Biến tần LS Series H100 được thiết kế tiết kiệm năng lượng, chuyên dụng cho hệ thống quạt và máy bơm trong ngành HVAC và xử lý nước. |
![]() |
Dòng biến tần LS Starvert IS7 thay thế dòng iG5A có hiệu suất mạnh mẽ, kết cấu thông minh, được sử dụng cho các tải nặng như máy nén, băng tải, máy khuấy,… |
![]() |
Ngoài việc cung cấp sản phẩm chính hãng, nhập khẩu trực tiếp từ nhà sản xuất, chúng tôi còn cam kết giá cả cạnh tranh và chiết khấu tốt nhất thị trường khi khách hàng lựa chọn biến tần LS 3 pha của Trường Chu Văn An. Gọi ngay 0904 99 88 77 để nhận báo giá và tư vấn.






Nội dung được phát triển bởi đội ngũ truongchuvananhue.edu.vn với mục đích chia sẻ và tăng trải nghiệm khách hàng. Mọi ý kiến đóng góp xin vui lòng liên hệ tổng đài chăm sóc: 1900 0000 hoặc email: hotro@truongchuvananhue.edu.vn