Nội dung bài viết
Biến tần trung thế là thiết bị phổ biến cho các đơn vị sử dụng động cơ trung thế. Trong bài viết dưới đây, Trường Chu Văn An sẽ thông tin tới bạn về cấu tạo, phân loại và ứng dụng của loại biến tần này.
Khái niệm về biến tần trung thế
Biến tần trung thế là thiết bị chuyên dụng dùng để điều khiển tốc độ động cơ ở điện áp trung thế (từ 1kV đến 35kV) bằng cách chuyển đổi điện áp và tần số đầu vào. Đây là giải pháp quan trọng trong công nghiệp nặng, yêu cầu điều khiển tốc độ thay đổi của máy nén, máy bơm, quạt, băng tải, máy nghiền… giúp tiết kiệm năng lượng, tăng tuổi thọ thiết bị và giảm chi phí vận hành, bảo trì.

Cấu tạo biến tần trung thế
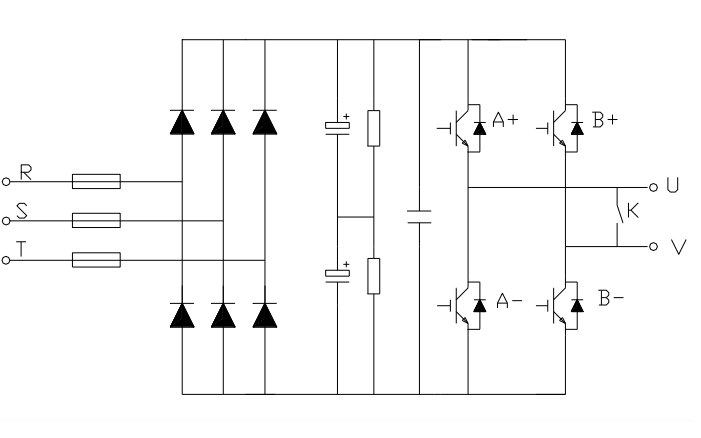
Biến tần trung thế được thiết kế dưới dạng tủ biến tần. Với mỗi loại công suất và nhu cầu sử dụng, biến tần trung thế sẽ có cấu tạo khác nhau nhưng về cơ bản vẫn gồm 4 bộ phận chính:
- Tủ điều khiển: bao gồm PLC và module truyền thông, có chức năng tính toán và gửi tín hiệu đến các cell nguồn. Màn hình tủ điều khiển hiển thị các thông số tần số, điện áp, dòng điện và bàn phím điều khiển giúp điều chỉnh các thông số hoạt động của biến tần.
- Tủ biến áp: có chức năng hạ điện áp nguồn xuống mức thích hợp và cung cấp cho các tế bào nguồn.
- Tế bào năng lượng: Các tế bào năng lượng được điều khiển bằng tín hiệu quang điện để đảm bảo đồng bộ hóa. Tùy theo công suất và điện áp, mỗi pha có thể có từ 3 đến 8 cell nguồn trở lên.
- Hệ thống làm mát: Có chức năng tản nhiệt cho cell nguồn và các linh kiện điện tử bên trong biến tần, có thể sử dụng nước, quạt hoặc khí nén.

Đọc thêm: Biến tần DC là gì? Cấu tạo, chức năng và so sánh với biến tần AC
Nguyên lý làm việc của biến tần trung thế
Bộ biến tần trung thế hoạt động dựa trên nguyên lý biến đổi tần số và điện áp của dòng điện xoay chiều (AC) để điều khiển động cơ trung áp.

Quá trình này bao gồm 4 giai đoạn chính:
- bộ chỉnh lưu: Điện áp xoay chiều đầu vào (điện áp trung thế 3 pha) được chỉnh lưu thành điện áp một chiều thông qua bộ chỉnh lưu cầu diode và tụ điện. Các bộ lọc được sử dụng để làm mịn điện áp DC đầu ra, loại bỏ hiện tượng gợn sóng và nhiễu.
- Dòng chảy ngược: Thông qua biến tần IGBT, điện áp DC được chuyển đổi thành AC với tần số và điện áp mong muốn. Điện áp và tần số đầu ra cũng được điều chỉnh bằng cách điều khiển tín hiệu IGBT.
- Kiểm soát tốc độ: Hệ thống điều chỉnh và giám sát hoạt động của biến tần dựa trên nhiều thông số như tốc độ động cơ, mô men xoắn, tải trọng,… Hệ thống điều khiển đảm bảo động cơ hoạt động ổn định và hiệu quả.
- đầu ra: Điện áp xoay chiều biến đổi được cung cấp cho động cơ xoay chiều, giúp điều chỉnh tốc độ và mô men xoắn của động cơ.
Về cơ bản, hoạt động của biến tần trung thế phụ thuộc vào các tế bào điện đóng vai trò là các biến tần nhỏ, có chức năng chỉnh lưu dòng điện xoay chiều hạ áp thành dòng điện xoay chiều với tần số yêu cầu. Để đảm bảo đồng bộ hóa, các tế bào nguồn này được điều khiển bằng tín hiệu quang điện, được kết nối nối tiếp hoặc xếp tầng.
Các loại biến tần trung thế hiện nay
Tùy theo không gian và công suất, bộ biến tần trung thế được phân thành 3 nhóm chính:
| Dòng nhỏ gọn: Có thiết kế nhỏ gọn, đơn giản nên thường được sử dụng ở những khu vực có diện tích nhỏ, không có nhiều không gian lắp đặt. | ![]() |
| Dòng làm mát bằng nước: Biến tần chuyên dụng cho dòng điện lớn hơn 800A nên cần phải làm mát bằng nước để đảm bảo năng suất và tuổi thọ thiết bị. | ![]() |
| Dòng rời: Loại biến tần thông dụng nhất có công suất vừa phải, kích thước không quá lớn, đặc biệt là khả năng làm mát tốt. Tuy nhiên, trong quá trình vận hành vẫn cần làm mát biến tần bằng nước để đảm bảo tuổi thọ cho thiết bị. | ![]() |
Xem thêm: 12 thương hiệu biến tần chất lượng tốt nhất Việt Nam
Ứng dụng biến tần trung thế
Biến tần trung thế được sử dụng rộng rãi trong nhiều ngành công nghiệp.
- Công nghiệp khai thác khoáng sản: Máy nghiền điều khiển, động cơ băng tải, quạt công nghiệp hoặc máy móc cơ khí.
- Sản xuất giấy và bột giấy: Dùng cho máy băm, máy cắt, máy nghiền, lọc dầu hoặc bơm chân không.
- Công nghiệp dầu khí, hóa chất: Máy nén khí, máy trộn, máy thổi… đều cần đến biến tần.
Ngoài ra, biến tần còn được ứng dụng trong các nhà máy sản xuất cơ khí, sản xuất xi măng, cấp thoát nước, xử lý rác thải…
Trường Chu Văn An vừa giới thiệu những thông tin quan trọng như định nghĩa, cấu tạo, nguyên lý hoạt động và ứng dụng của bộ biến tần trung thế. Nếu muốn tìm hiểu thông tin về biến tần hoặc các thiết bị khác, bạn có thể truy cập: https://etinco.vn/tin-tuc/.




Nội dung được phát triển bởi đội ngũ truongchuvananhue.edu.vn với mục đích chia sẻ và tăng trải nghiệm khách hàng. Mọi ý kiến đóng góp xin vui lòng liên hệ tổng đài chăm sóc: 1900 0000 hoặc email: hotro@truongchuvananhue.edu.vn