Nội dung bài viết
Rơle nhiệt đóng vai trò quan trọng trong hệ thống điện công nghiệp. Tuy nhiên, để thiết bị hoạt động hiệu quả và ổn định thì việc kết nối rơle nhiệt cần được thực hiện đúng cách và đúng tiêu chuẩn kỹ thuật. Hãy cùng tìm hiểu cách đấu nối rơle nhiệt 3 pha và 1 pha tiêu chuẩn trong bài viết dưới đây.
Sơ đồ nguyên lý rơle nhiệt
Thị trường hiện nay có rất nhiều loại rơle nhiệt khác nhau, tuy nhiên cấu tạo rơle nhiệt thông thường bao gồm các thành phần sau:
- đòn bẩy
- Tiếp điểm mở (NO)/tiếp điểm đóng (NC)
- Thanh lưỡng kim
- Vít điều chỉnh dòng điện tác động
- đòn bẩy
- Dây sưởi ấm
- Nút khôi phục (đặt lại)

Nguyên lý hoạt động của rơle nhiệt dựa trên hiện tượng giãn nở nhiệt của kim loại, cụ thể là sự chênh lệch hệ số giãn nở giữa hai lớp kim loại trong một thanh lưỡng kim.
Khi có dòng điện quá tải chạy qua rơle nhiệt sẽ sinh ra nhiệt lượng cao khiến thanh lưỡng kim nóng lên và bắt đầu giãn nở. Do hai lớp kim loại có tốc độ giãn nở khác nhau nên lớp có hệ số giãn nở cao sẽ giãn nở nhiều hơn khiến thanh bị uốn cong về phía lớp kim loại ít giãn nở hơn đủ để tác động lên cơ cấu nhả, từ đó kích hoạt hệ thống ngắt mạch.
- Tiếp điểm thường đóng (NC) sẽ mở ra, làm ngắt mạch điều khiển.
- Tiếp điểm thường mở (NO) sẽ đóng lại, cho phép kích hoạt các thiết bị cảnh báo như đèn cảnh báo hoặc còi.

Toàn bộ quá trình này không diễn ra ngay lập tức mà có độ trễ nhất định, tránh trường hợp rơle hoạt động khi chỉ xảy ra tình trạng quá tải tạm thời (ví dụ khi khởi động động cơ). Nhờ đó, hệ thống hoạt động ổn định hơn và tránh được những sự cố ngắt mạch không cần thiết.
Tham khảo: Hướng dẫn chọn rơle nhiệt cho mọi ứng dụng
Cách đấu nối rơle nhiệt 3 pha
Thông thường, rơle nhiệt 3 pha được sử dụng trong các thiết bị điện 3 pha 380V có công suất lên đến vài nghìn kW. Thiết bị này được sử dụng phổ biến trong các thiết bị điện công nghiệp, có khả năng phát hiện các điểm sinh nhiệt cao và làm gián đoạn mạch điện.

Có hai nguyên tắc phải tuân thủ khi lắp đặt rơle nhiệt 3 pha: nguyên lý điện áp và nguyên lý dòng điện.
Cách lắp rơle nhiệt theo nguyên lý điện áp

Trong đó:
- Ký hiệu M là tải trọng
- Ký hiệu EOCR là rơle bảo vệ mất pha nhiệt
- Ký hiệu Tr là máy biến áp từ 380V lên 220V. Nếu bạn có nguồn điện 220V thì không cần thiết bị này.
- Ký hiệu MC bên trái là 3 tiếp điểm động của bộ khởi động từ
- MC bên phải là tiếp điểm A1 – A2 của cuộn hút (cuộn dây) trong máy khởi động
- Sử dụng 2 tiếp điểm thường mở NO (98, 95)
- Cấp A1 – A2 là nguồn kết nối rơle mất pha
Ở 3 cực sẽ dùng 2 dây nguồn đi qua 2 máy biến dòng của rơle nhiệt.
Cách lắp đặt rơle nhiệt theo nguyên lý dòng điện

Trong đó:
- Ký hiệu MC bên trái là 3 tiếp điểm động của bộ khởi động từ
- Ký hiệu MC bên phải là tiếp điểm A1 – A2 của cuộn hút (cuộn dây) trong bộ khởi động từ
- Các vị trí cực R, S, T được nối thành 3 pha
- Tải là tải (thiết bị được sử dụng)
Tiếp điểm 95 và 98 là hai tiếp điểm NC thường đóng. Khi rơle nhiệt mất pha, 2 tiếp điểm này chuyển thành thường mở NO để ngắt cuộn hút của bộ khởi động từ, đồng thời ngắt 3 tiếp điểm thường mở NO của bộ khởi động từ để ngắt tải tránh hư hỏng.
Đọc thêm: Tóm tắt chi tiết các bước điều chỉnh rơle nhiệt
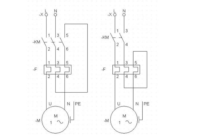
Cách đấu nối rơle nhiệt 1 pha
Rơle nhiệt 1 pha được lắp đặt cho hệ thống điện 1 pha 220V, có tác dụng bảo vệ quá nhiệt cho hệ thống và các thiết bị dân dụng có công suất thấp. Tuy nhiên, trên thực tế không có rơle nhiệt 1 pha mà chỉ có cách nối rơle nhiệt 3 pha với 1 pha khi chỉ nối 2 cực. Để lắp đặt rơle nhiệt 1 pha, vui lòng tham khảo sơ đồ sau:

Lưu ý khi lắp đặt rơle nhiệt
Để đảm bảo an toàn và hiệu quả khi lắp đặt rơle nhiệt, bạn cần lưu ý:
- Chọn rơle nhiệt phù hợp: căn cứ vào công suất định mức và dòng điện của động cơ mà chọn rơle nhiệt có thông số phù hợp để tránh tình trạng quá tải hoặc nhảy rơle.
- Kết nối chắc chắn: đảm bảo các kết nối không bị lỏng, tránh phát ra tia lửa điện hoặc quá nhiệt.
- Tuân theo sơ đồ mạch: luôn tuân theo sơ đồ mạch và hướng dẫn của nhà sản xuất
- Kiểm tra định kỳ: Thực hiện kiểm tra, bảo dưỡng định kỳ để đảm bảo rơle nhiệt hoạt động ổn định và hiệu quả.
Trường Chu Văn An vừa hướng dẫn cách lắp đặt rơle 3 pha và 1 pha theo cơ học chuẩn. Với thông tin hữu ích này, bạn có thể áp dụng sơ đồ nối dây rơle nhiệt vào hệ thống điện của mình. Để tìm hiểu thêm về rơle nhiệt và các thiết bị khác, tham khảo: https://etinco.vn/tin-tuc/kien-thuc/kien-thuc-contactor-ro-le/

Nội dung được phát triển bởi đội ngũ truongchuvananhue.edu.vn với mục đích chia sẻ và tăng trải nghiệm khách hàng. Mọi ý kiến đóng góp xin vui lòng liên hệ tổng đài chăm sóc: 1900 0000 hoặc email: hotro@truongchuvananhue.edu.vn