Nội dung bài viết
Trong cuộc sống hiện đại, an toàn về điện luôn được đặt lên hàng đầu. Một trong những thiết bị an toàn về điện giúp con người thoát khỏi nguy cơ bị điện giật đó là ELCB. Vậy ELCB là gì? Cấu tạo và nguyên lý hoạt động của ELCB như thế nào? Bài viết hôm nay sẽ giúp bạn hiểu rõ hơn về thiết bị quan trọng này.
Khái niệm về bảng mạch ELCB
ELCB là cầu dao chống rò rỉ đất dạng khối hoặc cầu dao chống giật được thiết kế để bảo vệ con người khỏi nguy cơ bị điện giật và ngăn ngừa sự cố về điện do dòng điện đi lạc gây ra. ELCB sở hữu những đặc tính và chức năng tương tự như rơ-le chạm đất với khả năng đo dòng điện khi rò rỉ đất cũng như đánh giá mức độ nguy hiểm và ngắt điện trong trường hợp dòng điện vượt quá giới hạn.

ELCB chống giật ra đời là sự kết hợp giữa RCCB có khả năng phát hiện dòng rò và MCCB có khả năng bảo vệ quá tải. Vì vậy, lắp đặt ELCB sẽ tăng độ an toàn, tránh nguy cơ bị điện giật, đặc biệt trong điều kiện thời tiết mưa gió, ẩm ướt.
Cấu trúc cầu dao chống rò rỉ ELCB
ELCB bao gồm các thành phần sau:
- Buồng hồ quang: Được tạo thành từ nhiều lớp ngăn thép giúp dập tắt hồ quang tốt hơn.
- Tiếp điểm bên trong: Bao gồm tiếp điểm chính và tiếp điểm phụ.
- Công tắc nhiệt kim loại: Gồm 2 thanh kim loại được làm từ các chất liệu khác nhau. Khi điện áp cao, hai thanh kim loại sẽ cong vênh dẫn đến hở mạch (chuyển mạch) giúp đảm bảo an toàn.
- Tay cầm chuyển mạch: Có 2 loại: tay cầm bằng tay hoặc tay cầm cơ điện.
- Cảm biến mạch điện hoặc dòng rò: Giúp ELCB kiểm tra xem dòng rò có vượt quá ngưỡng định mức cho phép hay không.

Chức năng của ELCB
ELCB có chức năng bảo vệ chống điện giật. Khi có dòng điện rò rỉ xuống đất, ELCB sẽ phát hiện và ngắt ngay mạch điện, ngăn ngừa nguy cơ bị điện giật cho người sử dụng. Bên cạnh đó, dòng CB chống giật này còn có chức năng chống cháy nổ. Dòng điện quá mức có thể gây ra quá nhiệt và dẫn đến cháy nổ. ELCB giúp ngăn ngừa tình trạng này bằng cách ngắt mạch điện.
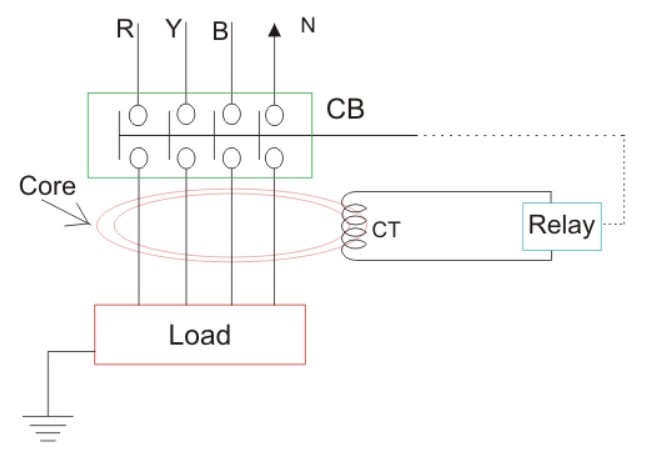
Nguyên lý hoạt động của ELCB
Hiện nay ELCB được chia thành 2 phiên bản là ELCB điện áp và ELCB dòng điện. ELCB điện áp là phiên bản cũ của ELCB và ELCB hiện tại là phiên bản hiện đại hơn sở hữu tính năng tương tự RCBO hay RCCB.
Nguyên lý hoạt động của dòng điện ELCB
Nguyên lý làm việc của ELCB hiện tại dựa trên việc phát hiện sự khác biệt giữa dòng điện đi và dòng về ở phía tải. ELCB có cấu tạo bên trong là lõi từ hình xuyến thông qua hai dây dẫn gồm dây pha và dây trung tính. Dây cảm ứng sẽ được quấn quanh lõi từ để đo độ chênh lệch.

Khi xảy ra sự cố rò rỉ đất ELCB, dòng điện dư sẽ phát sinh. Trong trường hợp dòng điện dư vượt quá giới hạn thiết kế, rơle điện từ trong ELCB sẽ tự động cắt nguồn điện đi qua để tránh ảnh hưởng đến các thiết bị điện và gây nguy hiểm cho người sử dụng.
Nguyên lý hoạt động của điện áp ELCB
Nguyên lý hoạt động của ELCB điện áp tương đối đơn giản. Một đầu của cuộn dây rơle sẽ nối với thân kim loại của thiết bị kết nối, đầu còn lại sẽ nối trực tiếp với dây nối đất. Nếu có sự chênh lệch điện áp giữa dây nối đất và cực của cuộn dây nối với thân kim loại thì dòng điện vi sai sẽ chạy qua cuộn dây rơle của ELCB. Trong trường hợp điện áp dòng điện vượt quá giới hạn cho phép, rơle cầu dao sẽ được kích hoạt để bảo vệ con người và thiết bị khỏi nguy cơ bị điện giật hoặc cháy nổ.

Thương hiệu ELCB nổi tiếng
Trên thị trường hiện nay có rất nhiều thương hiệu ELCB uy tín được người tiêu dùng tin dùng. Dưới đây là một số thương hiệu ELCB nổi bật:
- ELCB Schneider: Là một trong những nhà sản xuất thiết bị điện hàng đầu thế giới, cung cấp nhiều loại ELCB với chất lượng và độ tin cậy cao. Các sản phẩm của Schneider Electric được đánh giá cao về độ bền và khả năng bảo vệ.
- ELCB LS: Thương hiệu thiết bị điện chất lượng cao đến từ Hàn Quốc, với nhiều dòng ELCB đa dạng dành cho điện công nghiệp và dân dụng.
- ELCB ABB: Thương hiệu chuyên về giải pháp điện và tự động hóa, cung cấp các sản phẩm ELCB chất lượng cao, đáp ứng tiêu chuẩn an toàn quốc tế.
- ELCB Mitsubishi: Thương hiệu điện tử hàng đầu Nhật Bản. Các sản phẩm ELCB của Mitsubishi Electric được biết đến với độ chính xác và độ tin cậy cao.
Nếu muốn sở hữu bất kỳ thương hiệu ELCB nào, bạn có thể liên hệ ngay với Trường Chu Văn An theo số hotline 0939 66 44 22. Trường Chu Văn An là nhà nhập khẩu & phân phối thiết bị điện chính hãng với giá cả cạnh tranh nhất thị trường hiện nay.
So sánh ELCB và cầu dao chống rò rỉ khác
ELCB là một trong những thiết bị chống rò rỉ điện phổ biến nhưng không phải là lựa chọn duy nhất. Dưới đây là bảng so sánh ELCB và các loại cầu dao chống rò rỉ khác như RCCB, RCBO để bạn đưa ra quyết định đúng đắn:
| đặc trưng | ELCB | RCCB | RCBO |
| Vẻ bề ngoài | Hình dáng khá giống MCCB nhưng có thêm nút kiểm tra. | Hình dáng khá giống RCBO nhưng chỉ có 1 cần gạt. | Hình dáng khá giống MCB nhưng có thêm nút TEST. |
| Nguyên lý hoạt động | Phát hiện dòng điện rò rỉ xuống đất để so sánh dòng điện đi và dòng về. | Phát hiện sự chênh lệch giữa hai dòng điện giữa dây pha và dây trung tính. | Kết hợp chức năng của RCCB và MCB, phát hiện cả dòng rò, quá tải và ngắn mạch. |
| Bảo vệ | Ngăn ngừa điện giật do rò rỉ điện, có thể bảo vệ chống quá tải và ngắn mạch. | Ngăn ngừa điện giật do dòng điện rò rỉ. | Bảo vệ toàn diện: chống điện giật, quá tải và ngắn mạch. |
| Độ nhạy | Liên quan đến | Cao | Cao |
| Điện áp hoạt động | 220V/230V (1 pha) hoặc 380V/400V (3 pha). | 220V/230V (1 pha) hoặc 380V/400V (3 pha). | 220V/230V (1 pha) hoặc 380V/400V (3 pha). |
| Số cực | 1P+N, 3P+N | 1P+N, 3P+N | 1P+N, 3P+N |
| Loại phát hiện dòng rò | Dòng điện rò rỉ xuống đất | Dòng rò xoay chiều | Dòng rò xoay chiều |
| Vị trí lắp đặt trong mạng điện | Lắp đặt tại nguồn điện, phía sau cầu dao chính hoặc phía sau công tơ điện | Được lắp đặt phía sau cầu dao chính trong hệ thống điện. | Lắp đặt tại nguồn điện hoặc thay thế MCB/MCCB trong mạch điện. |
| Ứng dụng | Hệ thống có nền tảng tốt. | Bảo vệ chống điện giật trong nhiều hệ thống. | Bảo vệ toàn diện cho mạch điện khi sử dụng. |
Xem so sánh chi tiết tại:
Hướng dẫn cài đặt ELCB

Việc lắp đặt ELCB cần phải được thực hiện cẩn thận và đúng kỹ thuật để đảm bảo an toàn trong quá trình sử dụng. Dưới đây là hướng dẫn chi tiết cách cài đặt ELCB bạn có thể tham khảo:
- Bước 1 – Chuẩn bị: Ngắt nguồn điện, kiểm tra ELCB đảm bảo tương thích với hệ thống điện và nhu cầu sử dụng. Chọn ELCB có dòng điện định mức phải lớn hơn hoặc bằng dòng điện tối đa mà mạch sẽ tiêu thụ để đảm bảo ELCB không bị quá tải và hoạt động ổn định. Chuẩn bị đầy đủ các dụng cụ cần thiết như tua vít, kìm, bút thử điện,…
- Bước 2 – Chọn vị trí lắp đặt: ELCB thường được lắp đặt tại nguồn điện chính hoặc trong tủ điện. Chọn nơi khô ráo, thoáng mát, tránh ẩm ướt và bụi bẩn.
- Bước 3 – Ngắt kết nối nguồn điện chính/nhánh: Đảm bảo nguồn điện dẫn đến khu vực lắp đặt ELCB đã được ngắt. Dùng bút thử điện để kiểm tra.
- Bước 4 – Đi dây: Vặn ELCB vào tường lắp đặt và tiến hành đi dây theo sơ đồ mạch điện để đảm bảo các mối nối chắc chắn và không bị lỏng. Xác định dây pha, dây trung tính và dây nối đất, sau đó nối dây pha vào cực L, dây trung tính vào cực N và dây nối đất vào cọc tiếp đất của ELCB.
- Bước 5 – Kiểm tra: Sau khi hoàn tất đấu dây, hãy kiểm tra lại tất cả các kết nối. Bật nguồn điện và dùng bút thử điện để kiểm tra ELCB có hoạt động bình thường không.
Thắc mắc về CB chống giật ELCB
- Tại sao cần sử dụng ELCB?
Sử dụng ELCB giúp bảo vệ con người khỏi nguy cơ bị điện giật, ngăn ngừa nguy cơ cháy nổ do dòng điện rò rỉ và bảo vệ các thiết bị điện khỏi bị hư hỏng.
- Nút test trên ELCB có tác dụng gì?
Nút “Test” trên ELCB có tác dụng quan trọng trong việc đảm bảo an toàn điện. Chức năng chính của ELCB là kiểm tra ELCB có hoạt động bình thường hay không.
- Làm thế nào để chọn ELCB phù hợp?
Để lựa chọn ELCB phù hợp, bạn nên dựa vào dòng điện định mức, dòng điện rò định mức, điện áp định mức và số cực của hệ thống điện. Bên cạnh đó, bạn nên lựa chọn ELCB đến từ thương hiệu uy tín và tuân thủ các tiêu chuẩn an toàn.
- ELCB có bảo vệ ngắn mạch không?
Hầu hết các dòng ELCB không có bảo vệ ngắn mạch. Có một số thương hiệu sản xuất ELCB bảo vệ ngắn mạch: BTB Electric, LS Electric, Schneider.
Trên đây là tất cả những thông tin về ELCB, hy vọng có thể giúp các bạn hiểu rõ hơn về thiết bị điện này và sử dụng nó một cách hiệu quả. Bạn có thể đọc thêm các bài viết về các dòng aptomat khác tại: https://etinco.vn/tin-tuc/kien-thuc/kien-thuc-cb/

Nội dung được phát triển bởi đội ngũ truongchuvananhue.edu.vn với mục đích chia sẻ và tăng trải nghiệm khách hàng. Mọi ý kiến đóng góp xin vui lòng liên hệ tổng đài chăm sóc: 1900 0000 hoặc email: hotro@truongchuvananhue.edu.vn