Nội dung bài viết
Việc kết nối kỹ thuật chính xác của rơle trung gian là yếu tố quyết định đến hiệu suất của toàn bộ hệ thống điều khiển tự động. Rơle trung gian đóng vai trò là cầu nối quan trọng giúp bảo vệ thiết bị và đảm bảo hoạt động trơn tru. Hãy cùng tìm hiểu thêm về cách kết nối thành phần này với KTH ELECTRIC trong bài viết sau.
Chức năng của rơle trung gian
Rơle trung gian là thành phần không thể thiếu trong các hệ thống điều khiển hiện đại, từ các thiết bị công nghiệp phức tạp đến các thiết bị gia dụng thông thường. Tùy thuộc vào ứng dụng, rơle trung gian đóng một số vai trò quan trọng:

Chức năng và phương thức kết nối của rơle trung gian
- Thay thế contactor nhỏ gọn: Do có khả năng chịu tải nhất định nên rơle trung gian có thể thay thế các contactor nhỏ trong các hệ thống điều khiển công suất thấp như cửa cuốn điện hay các thiết bị gia dụng. Điều này giúp tiết kiệm không gian và tăng tính linh hoạt của hệ thống.
- Tiếp nhận và xử lý nhiễu tín hiệu điều khiển: Rơle trung gian có thể kết hợp nhiều tín hiệu điều khiển khác nhau để thực hiện các lệnh phức tạp, giúp đơn giản hóa quá trình điều khiển.
- Khả năng tiếp xúc mở rộng: Khi cần sử dụng tín hiệu điều khiển công suất nhỏ để điều khiển tải công suất lớn, rơle trung gian đóng vai trò như một “cầu nối” giúp tăng khả năng tiếp xúc và bảo vệ các thiết bị điều khiển.
- Chuyển đổi loại tiếp điểm: Rơle trung gian có thể chuyển đổi các tiếp điểm thường đóng thành các tiếp điểm thường mở hoặc chuyển đổi các tiếp điểm thường mở thành các tiếp điểm thường đóng để đáp ứng các yêu cầu đặc biệt của hệ thống điều khiển.
- Hoạt động như một công tắc: Trong nhiều mạch điều khiển, rơle trung gian hoạt động như một công tắc để bật/tắt thiết bị hoặc mạch.
- Cách ly và giảm tiếng ồn: Rơle trung gian giúp cách ly mạch điều khiển khỏi mạch điện, giảm thiểu ảnh hưởng của nhiễu điện từ và bảo vệ các thiết bị điện tử nhạy cảm.
Cách kết nối rơle trung gian
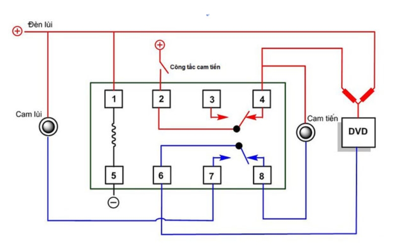
Phương thức kết nối rơle trung gian 8 chân
Rơle 8 chân có hai phần chính: cuộn dây và các tiếp điểm. Cuộn dây dùng để cấp nguồn (12V, 24V hoặc 220V) cho chân 1 và 5. Có 4 tiếp điểm chia thành 2 cặp:

Phương thức kết nối rơle trung gian 8 chân
- Các cặp thường mở: 2-4 và 6-8. Khi không có điện, các cặp này sẽ bị ngắt kết nối, giống như một cây cầu bị gãy.
- Các cặp thường đóng: 2-3 và 6-7. Khi không có điện, các cặp kết nối với nhau như một cây cầu hoàn chỉnh. Khi dòng điện chạy qua cuộn dây, rơle sẽ đóng vai trò như một công tắc làm cho các cặp tiếp điểm hoán đổi vị trí cho nhau: cặp tiếp điểm thường mở sẽ đóng lại, cặp tiếp điểm thường đóng sẽ mở ra.
>>/ Xem thêm: Rơle ngắt máy bơm nước tự động là gì?
Cách đấu nối rơle trung gian 14 chân
Rơle 14 chân có thể coi như một cây cầu có nhiều nhánh. Mỗi nhánh cầu (tiếp điểm) có thể được mở hoặc đóng tùy thuộc vào dòng điện có chạy qua cuộn dây hay không. Phương thức kết nối cụ thể của rơle trung gian 14 chân như sau:

Cách đấu nối rơle trung gian 14 chân
- Nhánh cầu thường đóng (NC): 1-2, 3-4, 5-6, 7-8. Khi không có điện, các nhánh này kết nối với nhau như một cây cầu hoàn chỉnh.
- Nhánh cầu thường mở (NO): 9-10, 11-12, 13-14. Khi không có điện, những cành cây này gãy, giống như một cây cầu gãy.
- Chân 13 và 14: Đây là hai chân cấp nguồn cho cuộn dây rơle. Khi dòng điện chạy qua cuộn dây, các chân cầu sẽ thay đổi trạng thái: chân NC sẽ mở và chân NO sẽ đóng lại.
>>> Bài viết liên quan: Rơle trung gian là gì? Cấu trúc-Nguyên lý làm việc-Ứng dụng
Rơle trung gian là linh kiện điện tử không thể thiếu trong hệ thống điều khiển tự động. Qua bài viết này KTH ELECTRIC giúp các bạn hiểu rõ về cấu tạo, nguyên lý làm việc và cách đấu nối rơle trung gian. Hiểu biết về rơle sẽ giúp bạn tự tin hơn khi thiết kế, sửa chữa mạch điện.

Nội dung được phát triển bởi đội ngũ truongchuvananhue.edu.vn với mục đích chia sẻ và tăng trải nghiệm khách hàng. Mọi ý kiến đóng góp xin vui lòng liên hệ tổng đài chăm sóc: 1900 0000 hoặc email: hotro@truongchuvananhue.edu.vn