Nội dung bài viết
Mạch biến tần là bộ phận quan trọng nhất bên trong biến tần, có nhiệm vụ giám sát, điều khiển tốc độ và hiệu suất của các thiết bị trong hệ thống. Vậy mạch biến tần gồm những thành phần nào và hoạt động như thế nào? Chúng tôi sẽ cung cấp cho bạn thông tin chi tiết ở bài viết sau.
Cấu trúc mạch biến tần
Với sự ra đời của linh kiện bán dẫn, công nghệ biến tần ngày càng hiện đại và tinh vi kéo theo những thay đổi trong mạch biến tần để phù hợp với nhiều ứng dụng công nghiệp và dân dụng.
Tùy thuộc vào loại biến tần, cấu trúc bên trong có thể khác nhau. Tuy nhiên, một mạch nghịch lưu cơ bản thường bao gồm 4 phần chính: mạch chỉnh lưu, tụ dẹt, mạch biến tần và mạch điều khiển. Mỗi bộ phận này sẽ đảm nhiệm những nhiệm vụ, chức năng khác nhau trong quá trình chuyển đổi dòng điện, điện áp từ nguồn điện thành dòng điện và điện áp phù hợp với điều kiện hoạt động của động cơ.

Ngoài ra, đặc tính dạng sóng đầu vào và đầu ra cũng thay đổi khi sử dụng biến tần, cụ thể như sau:
- Dòng điện vào: Dạng sóng giống tai thỏ, bao gồm các thành phần có độ dốc cao.
- Dòng điện đầu ra: Dạng sóng là tập hợp các đoạn đường hình chữ nhật với các thành phần tần số cao và xung điện áp. Để tạo ra dạng sóng này, mạch biến tần sẽ phải bật/tắt các linh kiện bán dẫn bên trong.

Tìm hiểu về mạch chỉnh lưu biến tần
Mạch chỉnh lưu trong biến tần có nhiệm vụ chuyển đổi dòng điện xoay chiều AC từ lưới thành dòng điện một chiều thông qua Diode hoặc Thyristor để phục vụ các giai đoạn sau.
Thông thường, Diode trong biến tần chỉ cho dòng điện chạy theo một chiều mà không đi theo chiều ngược lại khi sử dụng điện áp. Vì vậy, khi dòng điện xoay chiều đi qua mạch chỉnh lưu thì điện áp cũng đi qua tải cùng chiều. Lúc này, dòng điện xoay chiều được chỉnh lưu thành dòng điện một chiều.

Đối với nguồn điện đầu vào AC 3 pha, đầu nối 6 Diode trong mạch chỉnh lưu được sử dụng để tạo ra dòng điện một chiều như trong sơ đồ sau:

Xem thêm: Biến tần DC là gì? Cấu tạo, chức năng và so sánh với biến tần AC
Tìm hiểu về tụ điện dẹt
Nguồn điện DC từ mạch chỉnh lưu có dạng sóng nhấp nhô sẽ được làm phẳng ở bus DC, nhằm tạo ra nguồn DC ổn định hơn để cấp cho mạch nghịch lưu. Phần này được tạo thành từ nhiều tụ điện và điện trở mắc nối tiếp và song song. Đặc biệt, tụ điện có chức năng giữ điện áp đầu ra ở mức đồng đều và không bị ảnh hưởng bởi nhiễu đầu vào, phù hợp với các tải yêu cầu điện áp đầu ra không đổi.

Tụ dẹt còn có khả năng lưu trữ năng lượng để cung cấp cho biến tần trong trường hợp cần thiết, giúp biến tần hoạt động liên tục, ổn định trong các tình huống có sự cố về điện hoặc thay đổi phụ tải.
Tìm hiểu về mạch biến tần
Mạch này có nhiệm vụ chuyển đổi DC sang AC với tần số và điện áp phù hợp cho hoạt động của động cơ, thông qua các linh kiện bán dẫn như IGBT hay MOSFET. Trong đó, công nghệ biến tần hiện đại ưu tiên sử dụng IGBT nhờ ưu điểm vượt trội về khả năng chuyển mạch nhanh và khả năng chịu dòng điện cao.
Bên cạnh khả năng điều chỉnh điện áp và tần số đầu ra, mạch chỉnh lưu hỗ trợ biến tần điều khiển tốc độ và mômen động cơ.
Cách chuyển đổi điện áp DC – AC trong mạch biến tần
Phương pháp phổ biến nhất là sử dụng các công tắc trong cổ góp để kích hoạt theo một trình tự nhất định nhằm tạo ra dạng sóng đầu ra gần nhất với sóng hình sin của dòng điện xoay chiều.

Ví dụ, theo sơ đồ đấu nối mạch biến tần ở trên (áp dụng cho điện áp xoay chiều 1 pha), 4 công tắc S1 đến S4 sẽ được nối vào nguồn DC. Khi cặp công tắc S1-S4 được bật, dòng điện chạy qua đèn theo hướng A. Khi cặp công tắc S2-S3 được bật, dòng điện chạy qua đèn theo hướng B. Lặp lại chu kỳ định trước của các công tắc này, hướng của dòng điện sẽ thay đổi, từ đó tạo ra hiệu ứng dòng điện xoay chiều.
Cách thay đổi tần số

Tần số dòng điện xoay chiều có thể thay đổi bằng cách điều chỉnh thời gian bật/tắt của công tắc S1 và S4. Ví dụ: khi bật công tắc S1 và S4 trong 0,5 giây, sau đó bật công tắc S2 và S5 trong 0,5 giây, một chu kỳ dòng điện xoay chiều tương ứng với tần số 1Hz sẽ được tạo ra. Bằng cách bật và tắt công tắc như vậy, bạn có thể thay đổi tần số một cách dễ dàng.
Cách thay đổi điện áp
Tương tự như việc thay đổi tần số, điện áp cũng có thể được điều chỉnh bằng cách thay đổi tỷ lệ thời gian bật/tắt của các công tắc, từ chu kỳ t0 sang chu kỳ thời gian ngắn hơn.

Theo đó, khi giảm một nửa tỷ lệ thời gian bật của công tắc S1 và S4, điện áp đầu ra sẽ bằng một nửa biên độ điện áp đầu vào. Tương tự, nếu bạn muốn tăng điện áp đầu ra, bạn có thể tăng tỷ lệ thời gian bật. Phương pháp này sử dụng kỹ thuật Điều chế độ rộng xung (PWM) phổ biến trong các bộ biến tần và một số linh kiện điện tử khác.
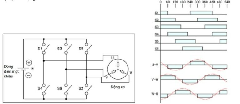
Biến tần với điện áp xoay chiều 3 pha

Để đảo ngược điện áp 3 pha, mạch nghịch lưu cần 6 công tắc. Bằng cách thay đổi thứ tự của 6 công tắc bật/tắt này, các pha điện áp UV, VM, WU và hướng quay của động cơ cũng thay đổi. Một số loại biến tần hiện đại sẽ thay thế các công tắc này bằng linh kiện bán dẫn, phổ biến là IGBT, để nâng cao khả năng chuyển mạch, từ đó điều chỉnh điện áp, tần số của nguồn điện đầu ra một cách chính xác và linh hoạt.
Tìm hiểu về mạch điều khiển biến tần
Mạch điều khiển đóng vai trò là “bộ não” của biến tần, có chức năng giám sát, điều khiển hoạt động của mạch chỉnh lưu và mạch biến tần dựa trên điện áp, dòng điện đầu vào và các yêu cầu cụ thể từ hệ thống.
Mạch điều khiển là tập hợp các bộ vi điều khiển hoặc bộ xử lý tín hiệu số với các thành phần chính sau:
- Bộ xử lý: Chuyên xử lý các thuật toán điều khiển phức tạp để tạo tín hiệu điều khiển cho các mạch chỉnh lưu, biến tần.
- Mạch cảm biến: Có khả năng cảm nhận dòng điện, điện áp và nhiệt độ, từ đó cung cấp dữ liệu cho bộ vi xử lý.
- Ký ức: Được sử dụng để lưu trữ các thông số cài đặt và chương trình điều khiển.
- Mạch truyền thông: Dùng để kết nối với các thiết bị khác.
- Mạch điều khiển IGBT: Có nhiệm vụ khuếch đại tín hiệu từ bộ vi xử lý để điều khiển van bán dẫn công suất ở biến tần.
Lợi ích của việc sử dụng mạch biến tần
Mạch biến tần là bộ phận quan trọng nhất của biến tần, quyết định tốc độ xử lý và hoạt động điều chỉnh, điều khiển của thiết bị. Sử dụng mạch nghịch lưu mang lại nhiều lợi ích như sau:
- Tiết kiệm năng lượng: Mạch điều khiển có khả năng điều chỉnh linh hoạt tốc độ và mô men xoắn của động cơ, từ đó tiết kiệm đáng kể điện năng tiêu thụ khi động cơ chỉ chạy ở tốc độ yêu cầu.
- Tăng tuổi thọ thiết bị: Mạch biến tần giúp khởi động và dừng động cơ êm ái, giảm áp lực lên các bộ phận cơ khí, từ đó kéo dài tuổi thọ của thiết bị.
- Cải thiện hiệu suất: Nhờ khả năng điều chỉnh tốc độ theo yêu cầu nên mạch biến tần phù hợp với từng quy trình, hệ thống cụ thể, giúp tối ưu hóa hiệu suất biến tần và động cơ.
- Bảo vệ hệ thống: Ngoài việc điều chỉnh và điều khiển động cơ, mạch biến tần còn có khả năng bảo vệ hệ thống khỏi quá áp, quá nhiệt và đoản mạch, giảm thiểu nguy cơ cháy nổ và hư hỏng thiết bị, hệ thống.
Ứng dụng mạch biến tần
Mạch biến tần nói riêng và biến tần nói chung được ứng dụng trong nhiều lĩnh vực như:
- Điều khiển động cơ: Ứng dụng phổ biến nhất của biến tần là giúp điều chỉnh tốc độ và mô men xoắn của động cơ, từ đó giảm thiểu lãng phí năng lượng, đặc biệt phù hợp với các ngành công nghiệp giấy, dệt may, xi măng…
- Hệ thống HVAC: Biến tần giúp điều khiển áp suất, lưu lượng theo nhu cầu thực tế của hệ thống, tránh lãng phí điện năng nên được sử dụng phổ biến trong các hệ thống điều hòa không khí, máy bơm nước, quạt…
- Thang máy, băng tải: Biến tần đóng vai trò quan trọng trong các hệ thống truyền động, giúp khởi động và dừng băng tải, thang máy… một cách êm ái và êm ái.
Xem thêm: Hướng dẫn cách đấu nối biến tần 3 pha và những lưu ý khi lắp đặt
Một số câu hỏi về mạch biến tần
Câu 1: Mạch biến tần có chức năng gì?
Hồi đáp: Mạch biến tần có nhiệm vụ chuyển đổi điện áp DC thành điện áp xoay chiều với tần số và biên độ phù hợp với điều kiện hoạt động của động cơ điện.
Câu 2: Khối bán dẫn thường có những loại linh kiện bán dẫn nào?
Hồi đáp: Thiết bị bán dẫn phổ biến nhất hiện nay thường là IGBT với ưu điểm là chuyển mạch nhanh và có khả năng chịu được dòng điện lớn.
Câu 3: Trong mạch nghịch lưu, kỹ thuật điều chế độ rộng xung (PWM) được áp dụng như thế nào?
Hồi đáp: PLC có khả năng điều chỉnh thời gian bật/tắt của IGBT trong mạch biến tần để tạo ra chuỗi xung điện áp có độ rộng khác nhau, từ đó đảo ngược sóng đầu ra AC có dạng gần giống nhất với sóng hình sin, phù hợp để cung cấp cho động cơ.
Các kiến thức khác về biến tần, bạn có thể tìm hiểu tại: https://etinco.vn/tin-tuc/kien-thuc/kien-thuc-bien-tan/

Nội dung được phát triển bởi đội ngũ truongchuvananhue.edu.vn với mục đích chia sẻ và tăng trải nghiệm khách hàng. Mọi ý kiến đóng góp xin vui lòng liên hệ tổng đài chăm sóc: 1900 0000 hoặc email: hotro@truongchuvananhue.edu.vn