Nội dung bài viết
Aptomat là thiết bị không thể thiếu trong mỗi hệ thống điện, đóng vai trò bảo vệ và giảm thiểu những rủi ro liên quan đến sự cố điện. Tuy nhiên, để lựa chọn và sử dụng aptomat đúng cách và hiệu quả thì việc hiểu rõ các ký hiệu, thông số trên thiết bị này là vô cùng quan trọng. Trong bài viết này, Trường Chu Văn An sẽ giúp bạn giải mã chi tiết các ký hiệu, thông số quan trọng trên aptomat.
Thông số kỹ thuật của aptomat
Dưới đây là các ký hiệu thông số trên aptomat thường được sử dụng hiện nay:
- Ue: Điện áp định mức của máy cắt, đo bằng Vôn (V).
- Ui: Điện áp tối đa mà máy cắt có thể chịu được, cũng được tính bằng Volt (V).
- Uimp: Điện áp chịu đựng tối đa trong môi trường ô nhiễm, đơn vị là Volt (V).
- Trong: Dòng điện định mức của máy cắt, đơn vị đo là Ampe (A).
- Icu: Khả năng ngắt mạch khi dòng điện ngắn mạch đạt mức cực đại trong điều kiện bình thường, đo bằng Ampe (A).
- Ics: Dòng ngắn mạch tối đa mà máy cắt có thể chịu được, đơn vị Ampe (A)
- Icw: Khả năng chịu dòng ngắn mạch trong điều kiện nhiệt độ cao, tính bằng Ampe (A)
- C16, C32, C40,..: Biểu thị cường độ dòng điện của máy cắt. Mỗi mức dòng điện định mức (In) sẽ tương ứng với mã C cụ thể.
- Ký hiệu A, B, C, D, E, Z…: Thể hiện sự phân loại máy cắt dựa vào khả năng ngắt mạch.
- AR (Ampe Rating): Hiển thị dòng điện định mức mà aptomat có thể chịu đựng, đơn vị là Ampe (A).
- CL (Cấp giới hạn dòng điện): Đại diện cho cấp giới hạn dòng điện của cầu dao, giúp giảm thiểu tác động của dòng điện ngắn mạch.
- Tần số định mức: Hiển thị tần số điện áp định mức của cầu dao, tính bằng Hertz (Hz).
- Kiểu: Phân loại máy cắt theo dòng điện định mức và tính năng của máy cắt.
- Chức năng cách ly: Cho biết chức năng cách ly của cầu dao, đảm bảo an toàn khi sửa chữa hệ thống điện.
- Độ bền: Biểu thị độ bền của cầu dao, tức là số lần bật/tắt thiết bị có thể hoạt động hiệu quả.
Tiêu chuẩn ký hiệu chung cho cầu dao
Aptomat là thiết bị không thể thiếu trong việc bảo vệ hệ thống điện khỏi những sự cố. Việc đọc, hiểu các ký hiệu trên cầu dao giúp người dùng dễ dàng lựa chọn thiết bị phù hợp với hệ thống điện, đồng thời hỗ trợ quá trình kiểm tra, bảo trì hiệu quả, đảm bảo thiết bị hoạt động hiệu quả. Để đảm bảo rằng tất cả các sản phẩm đều được xác minh, có hai tiêu chuẩn ký hiệu aptomat: tiêu chuẩn IEC và tiêu chuẩn ANSI.
Tiêu chuẩn ký hiệu IEC
|
Ký hiệu khả năng ngắt mạch:
Kí hiệu dòng điện:
Ký hiệu của loại máy cắt:
|
![]() |
Đọc thêm: Cách chọn CB và dây dẫn theo tiêu chuẩn IEC
Tiêu chuẩn ký hiệu ANSI
|
Ký hiệu khả năng ngắt mạch:
Kí hiệu dòng điện:
Ký hiệu của loại máy cắt:
|
![]() |
Xem ký hiệu và thông số chi tiết các dòng CB thông dụng:
Phân biệt ký hiệu mạch điện trong bản vẽ mạch điện
Để lắp đặt cầu dao nhanh chóng và chính xác, việc thiết kế bản vẽ mạch điện trước khi thực hiện là bước quan trọng mà các kỹ sư thường làm. Tùy theo loại cầu dao mà các ký hiệu trên hình vẽ sẽ khác nhau. Cụ thể:
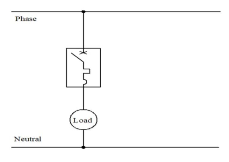
Ký hiệu 1 pha trên bản vẽ
Ký hiệu máy cắt 2 pha trên hình vẽ
Ký hiệu máy cắt 3 pha trên hình vẽ
Biểu tượng cầu dao chống giật
Phân biệt ký hiệu màu sắc trên aptomat
Trên cầu dao, các ký hiệu màu sắc không chỉ giúp nhận biết trạng thái của thiết bị mà còn biểu thị các chức năng quan trọng trong hệ thống điện. Ba màu phổ biến nhất là xanh, đỏ và trắng. Mỗi màu sắc đều có ý nghĩa riêng:
- Màu xanh: biểu thị trạng thái “bật” hoặc “mở”, cho phép dòng điện đi qua cầu dao giúp hệ thống điện hoạt động bình thường.
- Màu đỏ: thể hiện trạng thái “tắt” hoặc “đóng”, ngăn dòng điện đi qua, bảo vệ hệ thống khi xảy ra sự cố.
- Màu trắng: thường dùng để biểu thị dòng điện định mức của cầu dao, giúp người dùng dễ dàng nhận biết thông số kỹ thuật của thiết bị.
Trên đây là các ký hiệu và thông số aptomat thông dụng nhất. Hy vọng bài viết tổng hợp trên đã giúp bạn nhận biết được ký hiệu aptomat và đọc dễ dàng hơn. Hãy theo dõi Trường Chu Văn An để nhận được nhiều thông tin hữu ích qua các bài viết khác nhé!.



Nội dung được phát triển bởi đội ngũ truongchuvananhue.edu.vn với mục đích chia sẻ và tăng trải nghiệm khách hàng. Mọi ý kiến đóng góp xin vui lòng liên hệ tổng đài chăm sóc: 1900 0000 hoặc email: hotro@truongchuvananhue.edu.vn