Nội dung bài viết
Tụ điện 3 pha chuyên dùng cho mạng điện 3 pha đã và đang tiết kiệm một lượng lớn chi phí điện năng cho hệ thống công nghiệp. Hãy cùng Trường Chu Văn An tìm hiểu về cấu tạo, nguyên lý và cách lắp đặt tụ điện 3 pha qua bài viết sau.
Cấu tạo tụ điện 3 pha
Tụ điện hạ thế 3 pha thuộc dòng tụ điện hạ thế công nghiệp, được cấu tạo gồm 3 bộ phận chính gồm:
- Thân vỏ: dạng hình trụ có 2 lớp: vỏ nhựa bên ngoài và vỏ nhôm bên trong.
- Tụ điện: tụ màng polypropylen hoặc tụ khô. Bên trong tụ điện có 3 tấm lá nhôm có lớp cách điện ở giữa. 3 đầu của tấm nhô lên trên đóng vai trò là cực nối với nguồn điện.
- Chống cháy nổ: vòng siết tự động ngắt điện khi quá tải, tránh cháy nổ bình ngưng.

Nguyên lý làm việc của tụ điện 3 pha
Về nguyên lý làm việc, dàn tụ điện 3 pha được điều khiển bằng bộ điều khiển tụ điện tự động thông qua một số thiết bị chuyển mạch như công tắc tơ. Tụ điện 3 pha hoạt động dựa trên cơ chế bù công suất phản kháng. Hệ thống sử dụng tải cảm ứng sẽ làm cho dòng điện tụt hậu so với điện áp, khiến hệ số công suất cosφ thấp. Nhiệm vụ của tụ điện là bổ sung công suất phản kháng vào hệ thống để tăng cosφ.
Công dụng của tụ điện 3 pha
Tụ điện 3 pha có ưu điểm vượt trội là có khả năng tự động tính toán lượng điện năng cần bù. Nhờ đó, hệ số công suất luôn được đảm bảo nằm trong mức cosφ 0,95, đạt tiêu chuẩn cho phép. Khi sử dụng cho hệ thống điện sản xuất, loại tụ điện này có những tác dụng sau:
- Giảm hóa đơn tiền điện: Tụ điện 3 pha bổ sung công suất phản kháng giúp tiết kiệm tiền điện hàng tháng do tổn thất trên đường dây
- Tăng hệ số cosφ đúng quy định của công ty điện lực, tránh phải đóng phạt hàng tháng do hệ số cosφ thấp
- Tăng công suất cấp điện cho hệ thống, đặc biệt trong trường hợp hệ thống quá tải
- Giảm tải cho máy biến áp và đường dây truyền tải, giúp kéo dài tuổi thọ sử dụng và giảm chi phí bảo trì
- Hạn chế sụt áp, lỗi trên các thiết bị điện
- Cải thiện hình dạng sóng điện áp, giảm thiểu nhiễu điện và bảo vệ các thiết bị điện nhạy cảm
- Giảm tải cho các thiết bị điện, từ đó tăng tuổi thọ sử dụng và giảm chi phí sửa chữa.
Hướng dẫn lắp tụ điện 3 pha vào tủ điện

Cách so khớp theo phương pháp bù tĩnh
Lượng bù công suất phản kháng của tụ tĩnh là không đổi nên người dùng có thể điều khiển tụ bằng tay, bán tự động hoặc trực tiếp tới tải.
Phương pháp này có ưu điểm là dễ thực hiện, chi phí thấp nên được nhiều người lựa chọn. Tuy nhiên, khi tải biến động, bù tĩnh dễ gây ra hiện tượng bù quá mức, có thể gây nguy hiểm cho hệ thống máy phát điện. Vì vậy, việc bù tĩnh chỉ nên được áp dụng cho các tải có sự thay đổi nhỏ.
Cách cài đặt:
- Bước 1: Dùng dây dẫn phù hợp với công suất của tụ để nối cầu dao vào nguồn điện.
- Bước 2: Nối tụ điện với aptomat. Chú ý phân cực đúng: Cực dương của tụ nối với dây nóng (L), cực âm của tụ nối với dây trung tính (N).
- Bước 3: Cố định tụ điện.
- Bước 4: Kiểm tra và vận hành. Bật cầu dao và kiểm tra điện áp tại các kết nối. Quan sát hoạt động của tụ điện, đảm bảo không có tiếng ồn hoặc hoạt động bất thường.
Cách chiến đấu bằng phương pháp bù động
Bù động là phương pháp bù công suất phản kháng bằng bộ điều khiển tụ điện tự động. Bộ điều khiển này có khả năng điều chỉnh công suất tụ điện theo thời gian thực, giúp đảm bảo hệ số công suất luôn đạt giá trị mong muốn.
Ưu điểm của bù động là không gây ra hiện tượng bù quá mức, đảm bảo hệ số công suất luôn ổn định. Tuy nhiên bù động thường có giá thành cao hơn bù tĩnh nên cần cân nhắc, tính toán kỹ dung lượng tụ trước khi lựa chọn.
Cách cài đặt:
- Bước 1: Cố định tụ điện bằng giá đỡ hoặc ray chắc chắn.
- Bước 2: Đấu dây nguồn từ nguồn điện vào tụ điện theo sơ đồ hướng dẫn của nhà sản xuất. Chú ý phân cực đúng: cực dương của nguồn điện nối với dây nóng (L) của tụ điện, cực âm của nguồn điện nối với dây trung tính (N) của tụ điện.
- Bước 3: Lắp cầu dao vào tủ để bảo vệ thiết bị khỏi quá tải hoặc đoản mạch. Chọn cầu dao phù hợp với công suất của tụ điện.
- Bước 4: Đấu nối tụ điện vào hệ thống điều khiển để điều chỉnh công suất bù theo nhu cầu thực tế.
- Bước 5: Kiểm tra và vận hành. Bật cầu dao và kiểm tra các kết nối. Quan sát hoạt động của tụ điện, điều chỉnh cầu dao và hệ thống điều khiển nếu cần thiết.
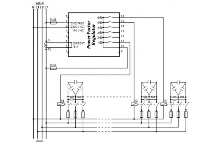
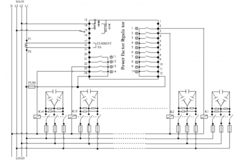
Tham khảo 2 sơ đồ lắp đặt tụ điện 3 pha dưới đây:
- Trường hợp tín hiệu dòng điện và điện áp cấp vào rơle cùng pha

- Trường hợp tín hiệu dòng điện lấy trên 1 pha dây và tín hiệu điện áp dây cấp cho rơle lấy trên 2 pha còn lại

Xem thêm: Tụ điện 1 pha là gì? Cách cài đặt và lựa chọn
Lưu ý khi đấu tụ điện 3 pha
- Tín hiệu dòng điện và điện áp cung cấp cho rơle phải chính xác để rơle có thể đo được giá trị cosφ chính xác. Cần chú ý đến sơ đồ kết nối được chỉ định trước đó với rơle.
- Vệ sinh tụ điện thường xuyên để đảm bảo hiệu suất hoạt động. Nếu tụ bị hỏng cần phải thay thế ngay để tránh tụ bị cháy hoặc nổ dẫn đến hỏng công tắc tụ.
- Một máy biến dòng có tỷ số quay phù hợp sẽ giúp rơle nhận biết dòng điện chính xác để người dùng điều khiển.
Trường Chu Văn An là đại lý cung cấp tụ điện 3 pha đến từ các thương hiệu nổi tiếng như: Nuintek, Samwha, Mikro, BTB Electric,… Chúng tôi không chỉ phân phối sản phẩm chính hãng với chất lượng tốt, giá cả cạnh tranh mà còn cam kết những chính sách ưu đãi hấp dẫn nhất trên thị trường hiện nay:
- Bảo hành từ 1 – 2 năm tùy dòng sản phẩm.
- Chính sách 1 đổi 1 trong thời gian bảo hành.
- Giao hàng nhanh và miễn phí vận chuyển.
Tham khảo một số dòng sản phẩm tụ điện 3 pha chính hãng do Trường Chu Văn An phân phối:

Nội dung được phát triển bởi đội ngũ truongchuvananhue.edu.vn với mục đích chia sẻ và tăng trải nghiệm khách hàng. Mọi ý kiến đóng góp xin vui lòng liên hệ tổng đài chăm sóc: 1900 0000 hoặc email: hotro@truongchuvananhue.edu.vn