Nội dung bài viết
Hiện nay, tụ điện hạ thế có vai trò quan trọng trong hệ thống điện, được sử dụng rộng rãi trong điện gia dụng và sản xuất điện quy mô vừa và nhỏ. Cùng Trường Chu Văn An tìm hiểu về tụ điện hạ thế, thông số kỹ thuật và vai trò của thiết bị này.
Tụ điện hạ thế là gì?
Tụ điện hạ thế là loại tụ điện được nối vào hệ thống, thiết bị điện hạ áp có hệ số cosφ. Mục đích nhằm nâng cao hiệu suất làm việc của các thiết bị điện và tránh bị phạt theo quy định của ngành Điện.

Tụ điện hạ thế là một trong những thành phần chính trong tủ điện bù công suất phản kháng, giúp đảm bảo hệ thống có thể vận hành thông minh, an toàn và ổn định. Tụ điện hạ áp có cấu tạo bên trong gồm 2 cực làm bằng lá nhôm dài cách điện bằng nhiều lớp giấy. Hai đầu của tấm nhô ra khỏi bề mặt của tụ điện và toàn bộ vật sẽ được cố định trong lọ kín bằng kim nhôm và nhựa.

Thông số kỹ thuật của tụ điện hạ thế
Chỉ số điện áp, tần số, công suất, dòng điện và điện dung là những thông số kỹ thuật quan trọng của tụ điện hạ thế.
Điện áp định mức: điện áp định mức của tụ điện thường cao hơn hoặc bằng điện áp hệ thống.
- Tụ điện hạ thế một pha thường có loại điện áp 230V, 250V.
- Tụ điện hạ thế 3 pha có các loại điện áp thông dụng như 230V, 380V, 400V, 415V, 440V.
Công suất định mức: Công suất phản kháng mà tụ có thể bù được, ví dụ: 10kVAr, 15kVAr, 20kVAr, 25kVAr, 30kVAr,…
Đánh giá hiện tại: Dòng điện chạy qua tụ khi làm việc, được xác định dựa vào công suất và điện áp của tụ:

Trong đó:
- I: dòng điện định mức (A)
- Q: công suất tụ điện (kVAr)
- U: điện áp định mức (V)
Tần số định mức: Tần số tiêu chuẩn là 50Hz, phù hợp với lưới điện quốc gia.
Chỉ số điện dung (microFarad): Khả năng lưu trữ điện của tụ điện. Ví dụ: 3 x 300,9 F.
Các thông số khác:
- Tiêu chuẩn kỹ thuật: IEC 60831-1 và IEC 60831-2: tiêu chuẩn quốc tế và ISO 8525:2010: Tiêu chuẩn Việt Nam, áp dụng cho tụ điện xoay chiều tần số công nghiệp.
- Chỉ số bảo vệ (IP): Tụ khô thường có IP20 đến IP30. Tụ điện đặt trong tủ ngoài trời đạt tiêu chuẩn IP43 trở lên.
- Nhiệt độ môi trường làm việc: dàn tụ điện cần được vận hành trong khoảng từ –25°C đến +55°C.
- Tuổi thọ hoạt động: các dàn tụ điện có tuổi thọ từ 100.000 đến 130.000 giờ hoạt động trong điều kiện tiêu chuẩn.

5 vai trò của tụ điện hạ thế trong hệ thống điện
Bù công suất phản kháng
Trường hợp hệ thống điện có hệ số cosφ nhỏ hơn 0,85 nhưng chưa lắp đặt hoặc đã lắp đặt tụ bù nhưng vẫn không đáp ứng đủ nhu cầu thì sẽ xử phạt theo quy định của ngành Điện. Việc lắp đặt hệ thống tụ điện hạ áp sẽ giúp giải quyết vấn đề trên.
Tiết kiệm hóa đơn tiền điện
Đồng hồ lắp đặt trong nhà máy hiện nay hiển thị 3 loại công suất cơ bản: công suất thực P (kW), công suất phản kháng Q (Kvar) và công suất biểu kiến S (Kva). Số tiền người tiêu dùng điện thường bị phạt chính là phí mua công suất phản kháng. Trong khi các hộ gia đình được tính phí dựa trên công suất P (kWh) thì doanh nghiệp phải trả thêm công suất phản kháng (Kvar).

Theo quy định của ngành điện, khi hệ thống điện của bạn có hệ số cosφ nhỏ hơn 0,85 thì lượng Q (công suất phản kháng) tiêu thụ bắt đầu bị tính phí. Để tránh bị phạt, lắp tụ điện là giải pháp tốt nhất. Có nhiều cách bù hệ số cosφ như bù cứng hoặc bù mềm, bù tự động hoặc thủ công nhưng các phương pháp được sử dụng phổ biến nhất hiện nay là bù mềm và bù tự động.
Giảm tổn thất trên đường dây truyền tải
Mất công suất điện thường do hai thành phần:
- Bởi vì công suất hoạt động không thể giảm
- Do có công suất phản kháng nên có thể can thiệp. Sử dụng tụ điện hạ áp để bù công suất phản kháng, đưa cosφ về gần mốc 0,95, giảm tổn thất điện năng.
Giảm sụt áp
Công suất phản kháng là nguyên nhân chính gây sụt áp trên đường dây. Việc lắp đặt một bộ tụ điện sẽ giúp bù đắp khe hở, đồng thời giúp thiết bị, động cơ khởi động mà không bị quá nhiệt hoặc cháy nổ.
Tăng khả năng truyền tải của dây
Dòng điện chạy trên đường dây gồm hai thành phần: tác dụng và phản kháng. Việc lắp đặt tụ điện ở cuối đường dây sẽ làm cho dòng điện phản kháng giảm, do đó đường dây có khả năng chịu tải lớn hơn.
Xem thêm: Tụ điện trung thế: Cấu tạo, công dụng và những lưu ý khi chơi
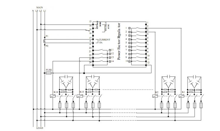
Sơ đồ đấu nối tụ điện hạ thế
- Trường hợp 1: Tín hiệu dòng điện và điện áp pha cấp vào rơle phải cùng pha. (đối với rơle SK, Mikro)

- Trường hợp 2: Tín hiệu dòng điện lấy trên 1 pha và tín hiệu điện áp của rơle lấy trên 2 pha còn lại (đối với rơle SK, Mikro, REGO-Ducati). Riêng đối với rơle REGO có thể đấu nối một trong 3 sơ đồ: FF-1 (máy biến dòng 1 pha, điện áp dây 2 pha còn lại); FF2 (Máy biến dòng một pha, điện áp dây pha lắp cùng máy biến dòng); FF-n (Máy biến dòng và điện áp pha cùng pha). Sơ đồ kết nối phải được cài đặt trong rơle, thường sử dụng sơ đồ FF-1.

Lưu ý vị trí lắp đặt máy biến dòng: Máy biến dòng lấy tín hiệu vào rơle điều khiển tụ, trong đó phải bao gồm cả dòng điện tải và dòng điện qua tụ. Lắp đặt máy biến dòng đúng cực tính: dòng điện sơ cấp đi vào K và đi ra L, tín hiệu dòng điện thứ cấp của cực K và L của máy biến dòng được nối với cực K và L của rơle (mặc dù hầu hết rơle có thể tự động chọn cực). Các tủ điện hạ thế có nhiều lộ phải được lắp đặt ở cáp thông tin liên lạc.
Xem thêm: 5 cách kiểm tra tụ điện đúng tiêu chuẩn kỹ thuật và khắc phục sự cố
Thị trường hiện nay có rất nhiều hãng sản xuất tụ điện hạ thế. Trường Chu Văn An tự hào là nhà nhập khẩu và phân phối tụ điện chính hãng 100% từ các thương hiệu uy tín trong và ngoài nước như: Nuintek, Samwha, Mikro, BTB Electric,… Để nhận được tư vấn nhanh nhất, vui lòng liên hệ 0939 66 44 22.
Ngoài ra, để tìm hiểu những kiến thức khác liên quan đến tụ điện, hãy theo dõi chúng tôi tại: https://etinco.vn/tin-tuc/kien-thuc/

Nội dung được phát triển bởi đội ngũ truongchuvananhue.edu.vn với mục đích chia sẻ và tăng trải nghiệm khách hàng. Mọi ý kiến đóng góp xin vui lòng liên hệ tổng đài chăm sóc: 1900 0000 hoặc email: hotro@truongchuvananhue.edu.vn