Nội dung bài viết
Tủ điện ATS còn được gọi là tủ chuyển nguồn tự động (Tên tiếng Anh: Automation Transfer Switches). Loại máy móc này giúp đảm bảo hệ thống điện tiếp tục hoạt động ngay cả khi mất điện. Hầu hết các doanh nghiệp, chung cư đều phải trang bị loại tủ điện này để đảm bảo cung cấp đủ điện cho sinh hoạt. Vậy bạn có biết tủ ATS là gì không? Hãy cùng KTH ELECTRIC tìm hiểu về cấu tạo và nguyên lý hoạt động của tủ ABS.
Tủ điện ATS là gì?

Tủ điện ATS – công tắc chuyển nguồn tự động được hiểu đơn giản là hệ thống điện có khả năng tự động chuyển mạch khi mất nguồn điện lưới và ngược lại. Mục đích của tủ ATS là đảm bảo cho doanh nghiệp và người dân luôn có đủ nguồn điện cần thiết để phục vụ sản xuất và đời sống sinh hoạt không bị gián đoạn.
>>Xem thêm: Bộ chuyển đổi nguồn ATS Osemco
Về chức năng của tủ ATS
Chức năng của hệ thống máy phát điện ATS là truyền tải điện năng đến nguồn điện dự phòng tại máy phát điện trong trường hợp mất pha, quá áp, mất trung tính, mất điện…
Tủ điện tự động ATS phù hợp cho những lĩnh vực nào?
Hệ thống trao đổi nguồn tự động ATS được sử dụng rộng rãi ở những nơi cần cung cấp điện liên tục như: khu công nghiệp, nhà máy, nhà xưởng, trung tâm thương mại, khu chung cư, sân bay, bến xe, bến cảng,… Có thể nói tủ ATS đóng vai trò vô cùng cần thiết và quan trọng.

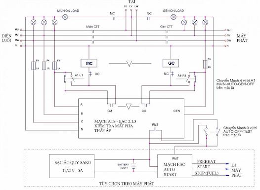
Cấu tạo tủ ATS
- Vỏ tủ ATS: Được làm bằng thép mạ kẽm. Bên ngoài được trang bị một lớp sơn tĩnh điện. Kích thước của tủ điện phụ thuộc vào nhu cầu sử dụng và công suất.
- Thiết bị chuyển mạch tự động: được thiết kế với chế độ chuyển mạch tự động hoặc thủ công.
- Bộ điều khiển tủ ATS: có chức năng điều khiển các thiết bị chuyển mạch theo thời gian.
- Hệ thống bus đồng phân phối điện ATS: Thực hiện các tính toán tương ứng dựa trên dòng điện định mức của hệ thống.
- Nút bấm, màn hình LCD và hệ thống đèn báo giúp người vận hành điều chỉnh linh hoạt chế độ vận hành.
Ngoài các thành phần trên, hệ thống máy phát điện ATS còn tích hợp chức năng giám sát và điều khiển từ xa.
Nguyên lý làm việc của bộ biến đổi điện tự động ATS
Tủ ATS luôn chứa hệ thống chuyển đổi nguồn điện và máy phát điện công nghiệp nên trong mọi tình huống tủ điện luôn sẵn sàng tự động chuyển nguồn đến nơi cần thiết.

- ATS: Là hệ thống chuyển đổi nguồn điện từ lưới điện chính để khi xảy ra sự cố sẽ cung cấp điện cho phụ tải từ máy phát điện.
- Khi có điện trở lại lưới, các bảng ATS có nhiệm vụ kết nối các phụ tải với nguồn điện chính và ngắt các máy phát điện dự phòng.
- Tủ ATS cao cấp còn có chức năng đồng bộ và có thể kết hợp với nhiều máy phát điện đảm bảo cấp điện liên tục.
Quy trình vận hành hệ thống tủ điện ATS
Nó phù hợp với các tải không cần mất điện hoặc thời gian mất điện quá lâu. Hệ thống tủ ATs là thiết bị đảm bảo cho phụ tải được kết nối với 2 nguồn điện lưới và máy phát điện. Nguyên tắc của nó như sau:
- Đầu tiên tủ ATS sẽ gửi tín hiệu khởi động máy phát điện.
- Sau đó, khi máy phát điện có điện và hoạt động ổn định. Tủ ATS chuyển nguồn tải từ nguồn điện lưới sang nguồn điện máy phát.
- Khi lưới điện được cấp điện trở lại và hoạt động ổn định. Tủ ATS sẽ gửi tín hiệu dừng máy phát và sau đó chuyển nguồn phụ tải từ máy phát lên lưới.
Ngoài ra, trên thị trường còn có các loại tủ ATS cao cấp. Ngoài ra còn có các chức năng mở rộng như kết hợp tủ đồng bộ và nhiều máy phát điện để đảm bảo phụ tải có đủ công suất khi xảy ra sự cố máy phát điện.
Phân loại hệ thống tủ điện
Các loại tủ điện ATS phổ biến hiện nay trên thị trường bao gồm:
- Tủ ATS có 1 nguồn điện chính và 1 nguồn điện máy phát dự phòng. Loại này được sử dụng rộng rãi trong các chung cư và nhà máy sản xuất.
- Tủ ATS có 2 nguồn điện chính và 1 máy phát điện dự phòng. Loại này hầu hết được lắp đặt và sử dụng tại các khu công nghiệp lớn. Hệ thống lưới điện luôn có 2 nguồn điện độc lập luân phiên để bảo trì.
- Tủ ATS có 1 nguồn điện chính và 2 nguồn điện máy phát dự phòng.
- Hệ thống tủ ATS cũng có thể được phân loại theo công suất như: 100A, 200A, 250A, 400A, chủ yếu dùng cho bộ khởi động từ.
- Hệ thống tủ ATS quy mô lớn từ khoảng 800A đến hàng nghìn ampe đều sử dụng cầu dao gas nên bền hơn.
Mô hình vận hành hệ thống tủ điện ATS
Tủ chuyển đổi nguồn ATS gồm 2 công tắc. Chuyển đổi cơ học của nguồn điện bình thường và dự phòng.
Khi nguồn điện chính bị hỏng. Khoảng thời gian giữa các lần chuyển đổi phải tối thiểu. để đảm bảo cung cấp điện liên tục.
Sau khi vấn đề về nguồn điện được giải quyết. Hệ thống ATS sẽ ngắt tải khỏi nguồn phát điện và đấu nối vào hệ thống lưới điện.
>> Xem thêm:
Tìm hiểu thêm về bộ chuyển đổi nguồn ATS và tủ điện ATS
Giới thiệu Bộ chuyển đổi nguồn tự động ATS
Bộ chuyển đổi điện tự động ATS ATS – Shilin
Hướng dẫn mua tủ điện
Việc lựa chọn hệ thống tủ ATS loại nào tùy thuộc vào nhu cầu của từng đơn vị. Các chuyên gia kỹ thuật khuyên bạn nên xem xét các yếu tố sau khi lựa chọn hệ thống ATS phù hợp:
- Cần xác định công suất trạm biến áp
- Căn cứ vào công suất máy phát điện để tính toán vùng tiêu thụ điện năng ưu tiên.
- Dựa vào vị trí lắp đặt hệ thống: nhiệt độ, môi trường…
- Kết nối với hệ thống điều khiển doanh nghiệp. Tự động báo cáo thông tin theo lịch trình định sẵn.

Nội dung được phát triển bởi đội ngũ truongchuvananhue.edu.vn với mục đích chia sẻ và tăng trải nghiệm khách hàng. Mọi ý kiến đóng góp xin vui lòng liên hệ tổng đài chăm sóc: 1900 0000 hoặc email: hotro@truongchuvananhue.edu.vn